Two-Stage OTA Design For Sensor Interface Circuits

N.Vehikl 112 views
Two-Stage OTA Design For Sensor Interface Circuits

Two-Stage OTA Design for Sensor Interface Circuits

Hey guys! Let’s dive into the fascinating world of designing and analyzing a two-stage Operational Transconductance Amplifier (OTA) , specifically tailored for sensor interface circuits . This topic is super crucial because it bridges the gap between the real world (where sensors live) and the digital world (where data gets processed). We’ll be exploring the ins and outs of this design, focusing on how to make it efficient, accurate, and perfect for grabbing those tiny sensor signals. Think of it as building a super-powered detective for your sensors, capable of amplifying and conditioning their signals before they get sent off for processing. Understanding this is key if you’re into areas like IoT, wearable tech, or any system that relies on sensing the environment.

The Importance of Sensor Interface Circuits

So, why are sensor interface circuits so darn important, you ask? Well, sensors are everywhere, right? From your phone’s camera to the air quality monitors on the streets, they’re constantly gathering data about our surroundings. But these sensors often produce incredibly tiny signals – think microvolts or even smaller! That’s where the sensor interface circuit comes in. Its primary job is to take those minuscule signals and boost them to a level that’s usable by other circuits. This process is called signal conditioning, and it’s essential for getting accurate and reliable data. Without a good interface, you’re basically flying blind, as the valuable information from the sensor gets lost in the noise. The sensor interface circuit amplifies the signal, filters out unwanted noise, and sometimes even converts the signal into a different format (like voltage to current). This ensures that the data is clean and ready for further processing by microcontrollers or other digital circuits. These circuits need to be optimized for low power consumption, especially in battery-powered devices, and must also be robust against noise and interference to ensure data integrity. They are the unsung heroes of modern electronics, quietly ensuring that our devices can perceive and interact with the world around us. In this context, the OTA plays a critical role as a core building block of these interfaces.

Core Functions of Sensor Interface Circuits

Let’s get down to the basics. Sensor interface circuits are the unsung heroes of the electronics world, and they perform a few critical functions. First and foremost, they amplify those tiny signals from the sensors. Amplification is like giving the signal a megaphone, making it strong enough to be heard by the rest of the system. Then comes filtering. Sensors can pick up all sorts of unwanted noise, like electrical interference, so filters are used to remove that garbage and clean up the signal. Finally, they may do signal conditioning. This involves modifying the signal to make it compatible with the rest of the system. This might include converting a current signal to a voltage signal or adjusting the signal’s range. It’s all about making sure the data from the sensor is in a usable format. Without these functions, the data from your sensor would be lost in the noise, rendering your device useless. So, yeah, they’re pretty important, wouldn’t you say?

Two-Stage OTA: The Workhorse

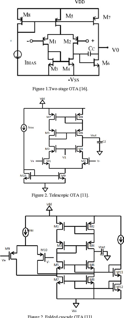
Alright, let’s zoom in on the two-stage OTA . Think of it as the workhorse of our sensor interface. An OTA, or Operational Transconductance Amplifier , is essentially a voltage-controlled current source. It takes a voltage input and produces a current output that’s proportional to that input. In the two-stage configuration, we cascade two amplifier stages to achieve high gain. The first stage provides the initial amplification, while the second stage boosts the gain further and often includes a frequency compensation network to ensure stability. This architecture is popular because it allows for high gain and wide bandwidth, making it ideal for amplifying those weak sensor signals. The two-stage design provides a good balance between performance and complexity. It’s often preferred over single-stage OTAs because it can achieve higher gain, which is crucial for amplifying weak sensor signals. On the other hand, it’s generally simpler to design and implement than more complex multi-stage amplifiers. The two-stage OTA is designed to be a high-gain, wideband amplifier, specifically tailored to amplify the small signals that sensors produce.

The Anatomy of a Two-Stage OTA

Let’s peek under the hood of a two-stage OTA. The first stage typically uses a differential amplifier configuration, which helps to reject common-mode noise. This stage provides the initial amplification and often includes a current source to bias the transistors. The second stage is usually a common-source amplifier, which provides additional gain and allows for frequency compensation. A key component is the compensation capacitor, which is added to stabilize the amplifier and prevent oscillations. The output stage is responsible for driving the load, whether that’s another circuit or a sensor. This setup is all about achieving high gain and wide bandwidth. It also incorporates techniques like current biasing and active loads to maximize performance. Finally, we’re talking about CMOS (Complementary Metal-Oxide-Semiconductor) technology. CMOS is the workhorse of modern electronics because it’s efficient, reliable, and relatively easy to manufacture. This means our OTA is built using a combination of PMOS and NMOS transistors, forming the core of the amplifier’s functionality.

Design Considerations: Key Performance Metrics

When we design a two-stage OTA , we’re not just throwing components together randomly. We have to keep a bunch of things in mind to make sure it performs well. Here are some of the critical parameters:

  • Gain: This is how much the amplifier amplifies the signal. Higher gain is better for weak sensor signals, but it can also make the circuit more susceptible to noise. The gain of an OTA is crucial, as it determines how effectively the amplifier can boost the tiny signals from the sensor. High gain is essential, but it must be balanced with stability considerations.
  • Bandwidth: This refers to the range of frequencies the amplifier can handle. We want a wide bandwidth so that the amplifier can accurately process a variety of sensor signals. Bandwidth is vital for ensuring the OTA can handle the range of frequencies present in the sensor’s output.
  • Slew Rate: This is how quickly the amplifier’s output voltage can change. It’s important for applications where the signal changes rapidly. The slew rate is a measure of the amplifier’s ability to respond to rapidly changing input signals. A high slew rate is often desired, especially in applications where the input signal has fast transitions.
  • Power Consumption: This is super important, especially for battery-powered devices. We want the amplifier to consume as little power as possible while still performing well. Power consumption is critical in sensor interfaces, particularly for devices with limited power budgets, such as wearables or IoT devices. Low power consumption extends battery life, making the device more practical.
  • Input-referred Noise: The OTA’s noise performance directly impacts the overall accuracy of the sensor interface. We want to minimize the noise to ensure that the sensor’s signal isn’t corrupted. Minimizing input-referred noise is critical to maintain signal integrity and accuracy.
  • Stability: Ensuring stability is crucial to prevent the amplifier from oscillating, which can render the circuit useless. Stability is paramount. We need the amplifier to operate stably across a wide range of conditions to avoid unwanted oscillations. This often involves careful compensation techniques.

Analysis and Simulation: Bringing the Design to Life

Once we’ve got a design, we can’t just slap it into a circuit and hope for the best. We need to analyze and simulate the circuit to make sure it works as expected. Simulation tools like SPICE (Simulation Program with Integrated Circuit Emphasis) are indispensable. We can simulate the circuit’s behavior under various conditions, such as different temperatures and input signals. By running simulations, we can verify the design, identify potential problems, and optimize the circuit. This involves creating a model of the circuit, entering the component values, and running different types of analyses. For example, we might run a transient analysis to see how the circuit behaves over time, or an AC analysis to measure its frequency response. Analyzing and simulating the circuit is like giving it a test drive before we build it. It helps us catch any problems early on and make sure the design meets our specifications. Through careful simulation, we can predict the circuit’s performance and make informed decisions about design trade-offs.

Key Simulation Steps

  • Schematic Entry: We start by creating a schematic of the two-stage OTA, including all the transistors, resistors, capacitors, and other components. It’s like drawing the blueprint of our circuit.
  • Model Selection: We select accurate models for the transistors and other components. These models represent how the components behave under different conditions.
  • Simulation Setup: We set up the simulation, specifying the type of analysis (e.g., DC, AC, transient), the input signals, and the parameters we want to measure.
  • Results Analysis: We analyze the simulation results, looking at the gain, bandwidth, slew rate, and other parameters. We can also identify any stability issues or other problems.
  • Optimization: Based on the simulation results, we might adjust the component values or the circuit architecture to improve the performance.

Sensor Interface Applications: Where the Magic Happens

So, where do these two-stage OTAs shine? They’re used in a variety of sensor interface applications:

  • Wearable Devices: OTAs are used to amplify signals from sensors that track heart rate, body temperature, and other vital signs.
  • IoT Devices: In smart homes and industrial settings, OTAs help interface with sensors that monitor temperature, pressure, and other environmental factors.
  • Medical Devices: OTAs are essential in medical equipment, such as ECG and EEG machines, where they amplify weak biological signals.
  • Audio Amplifiers: They are also used in high-fidelity audio equipment.

Real-World Examples

Think of a smart watch that monitors your heart rate. The tiny electrical signals from your heart are picked up by the sensor and fed into an OTA, which amplifies them before they’re processed by the watch’s internal circuitry. Or consider an environmental sensor in a smart home that detects the presence of smoke. The OTA amplifies the signal from the smoke detector, triggering an alarm if smoke is detected. These are just a couple of examples of how two-stage OTAs are used in everyday applications, improving our lives in countless ways.

Design Considerations in CMOS Technology

Designing a two-stage OTA in CMOS technology involves several specific considerations. The choice of transistor sizes, bias currents, and compensation techniques is crucial. The designer must consider the effects of process variations, temperature changes, and supply voltage fluctuations. Optimizing the design for low power consumption is also critical. These considerations are directly tied to the performance metrics we discussed earlier. In CMOS design, we select transistor sizes and biasing schemes to achieve the desired gain, bandwidth, and stability. We also need to account for process variations that can affect the transistor characteristics. Furthermore, we must carefully consider temperature changes, as these can impact the performance of the OTA. To keep power consumption low, we use techniques such as current mirroring and optimized transistor sizes. CMOS technology allows for a high degree of integration, making it ideal for compact and efficient sensor interfaces.

Designing two-stage OTAs isn’t always a walk in the park. There are several challenges that designers face. One key challenge is achieving high gain while maintaining stability. Another challenge is minimizing power consumption without sacrificing performance. The designer also has to deal with the effects of noise and process variations. As technology advances, there’s a trend toward designing OTAs for higher frequencies, lower power consumption, and improved noise performance. Furthermore, there’s growing interest in integrating OTAs with other circuits to create more complex and functional systems. In future, we can expect to see OTAs that are even more efficient, versatile, and adaptable to various applications. We are also going to see more advanced compensation techniques, new transistor technologies, and innovative circuit architectures.

Conclusion: The Future of Sensor Interfaces

Alright guys, we’ve covered a lot of ground today. We started with the basics of sensor interface circuits , explored the workings of the two-stage OTA , and delved into the design considerations, analysis, applications, and challenges of this crucial component. We’ve seen how these circuits are used in a variety of applications, from wearable devices to medical equipment. As the demand for more sophisticated sensors and data processing grows, the role of efficient and high-performance OTAs will only become more important. Understanding these concepts is not just about designing circuits. It’s about enabling a future where technology is more seamlessly integrated into our lives, providing us with valuable information and improving our interactions with the world around us. Keep learning, keep exploring, and who knows, maybe you’ll be the one designing the next generation of sensor interface circuits! This technology enables the integration of sensors in various applications, improving efficiency and data gathering capabilities.