LM7812 Voltage Regulator: Datasheet & Specs

N.Vehikl 61 views
LM7812 Voltage Regulator: Datasheet & Specs

LM7812 Voltage Regulator: Datasheet & Specs

Hey everyone! Today we’re diving deep into the LM7812 , a super common and reliable positive voltage regulator. If you’re into electronics, chances are you’ve come across this little guy or something very similar. We’ll be covering everything you need to know, especially focusing on the LM7812 datasheet PDF , because, let’s be honest, that’s where all the juicy technical details live. Whether you’re a seasoned pro or just starting out, understanding your components is key, and the datasheet is your best friend. So, grab your coffee, and let’s break down what makes the LM7812 tick, what you can expect from it, and how to use it effectively in your projects. We’ll also touch upon why having the LM7812 datasheet PDF readily available is non-negotiable for any serious electronics enthusiast or engineer. It’s packed with information on electrical characteristics, recommended operating conditions, pinouts, thermal considerations, and crucial application circuits. Without it, you’re essentially flying blind when it comes to ensuring your circuit performs as intended and, more importantly, safely. Think of this article as your friendly guide to navigating that dense PDF document and extracting the most vital information for your next build.

Understanding the LM7812: A Reliable Positive Voltage Regulator

So, what exactly is the LM7812 ? At its core, it’s a fixed positive voltage regulator . This means it takes a variable input voltage and outputs a steady, constant +12V. This is incredibly useful because many electronic components need a precise voltage to function correctly. Fluctuations in voltage can lead to erratic behavior, reduced performance, or even permanent damage. The LM7812 series is part of a broader family of regulators, but the LM7812 specifically targets that sweet spot of +12V. It’s a three-terminal device, typically found in TO-220 or similar packages, making it relatively easy to work with on breadboards or to mount onto a heatsink for higher power applications. The simplicity of its design – requiring only a few external components, if any, for basic operation – makes it a go-to choice for hobbyists and engineers alike. Its robust design means it can handle a decent amount of current and provides good protection against overloads. When you’re looking at the LM7812 datasheet PDF , you’ll see it’s designed for internal circuitry protection, including thermal shutdown and current limiting, which adds a layer of safety and reliability to your designs. These features are critical because they prevent the device from overheating and damaging itself or other components if something goes wrong, like a short circuit or excessive load. The LM7812 datasheet PDF will detail these protection mechanisms, giving you confidence in its operation. Understanding these built-in safety nets is just as important as understanding its voltage regulation capabilities. The LM7812 isn’t just about outputting 12V; it’s about doing it consistently and safely under a variety of conditions. This makes it a foundational component in countless power supply circuits, from simple battery chargers to more complex power distribution systems within larger electronic devices. Its widespread adoption and long history in the market are testaments to its reliability and effectiveness. It’s the kind of component you can often trust to just work , provided you follow the guidelines laid out in its technical documentation. And speaking of documentation, that brings us neatly back to why the LM7812 datasheet PDF is such an essential resource.

Key Features and Specifications from the LM7812 Datasheet PDF

Alright, let’s talk brass tacks – the specs! The LM7812 datasheet PDF is where you’ll find all the critical numbers that define this regulator’s performance. The absolute headline feature is its fixed +12V output voltage . But there’s more to it than just that single number. You’ll also find information on the output voltage tolerance , typically around ±1% or ±2% under specific conditions. This tells you just how accurate that +12V will be. For example, a ±1% tolerance means the output could be anywhere between 11.88V and 12.12V, which is usually plenty precise for most applications. Another crucial spec is the dropout voltage . This is the minimum difference required between the input voltage and the output voltage for the regulator to maintain its regulation. For the LM7812, this is typically around 2V. This means if you want a stable 12V output, your input voltage needs to be at least 14V (12V + 2V dropout). Exceeding this minimum input voltage is essential; operating too close to the dropout voltage can cause the regulator to become unstable or inefficient, potentially generating excessive heat. The LM7812 datasheet PDF will provide graphs showing how dropout voltage changes with load current and temperature, which is super helpful for designing your power input stage. Then there’s the maximum output current . This is the most current the LM7812 can reliably supply. For the standard TO-220 package, this is often around 1A to 1.5A, but this heavily depends on proper heatsinking. Pushing the LM7812 beyond its current limit will cause its internal thermal protection to kick in, shutting it down or severely limiting the output. The datasheet will detail the typical and maximum current capabilities. You’ll also see figures for quiescent current (the small amount of current the regulator itself consumes) and line regulation (how well the output voltage stays constant as the input voltage changes) and load regulation (how well the output voltage stays constant as the output current changes). These last two are vital for understanding the regulator’s stability. The LM7812 datasheet PDF will often present these as percentages or millivolts per volt/amp. Don’t forget thermal resistance . This tells you how effectively the device dissipates heat. A lower thermal resistance (junction-to-ambient or junction-to-case) means the device runs cooler for a given power dissipation. This is directly linked to the need for heatsinks, especially if you’re drawing significant current or have a large input-output voltage difference. All these parameters, meticulously detailed in the LM7812 datasheet PDF , are essential for selecting the right regulator, designing your surrounding circuitry, and ensuring your project operates reliably and efficiently. It’s not just a list of numbers; it’s a blueprint for successful implementation.

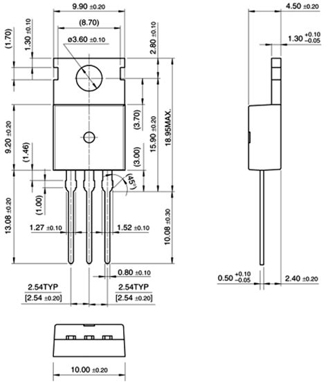
Pin Configuration and Basic Circuit Examples

Let’s get practical. The LM7812 is a simple device, usually featuring three pins. The most common pinout for the TO-220 package is: Pin 1: Input , Pin 2: Ground , and Pin 3: Output . It’s crucial to get this right, and the LM7812 datasheet PDF will graphically illustrate this, often with diagrams for different package types. Double-checking the pinout for the specific part number you have is always a good idea, as variations can exist. For a basic application, the LM7812 can be used with just two external capacitors. A capacitor is typically placed between the input pin and ground, and another between the output pin and ground. These capacitors are vital for stability and filtering. The input capacitor (often around 0.1uF to 0.33uF) helps filter out high-frequency noise coming from the power source and improves transient response. The output capacitor (often around 0.1uF to 1uF or larger) helps improve transient response and prevent oscillations. The values might vary depending on the specific requirements and the operating environment, so the LM7812 datasheet PDF is the ultimate guide for recommended capacitor values and types (e.g., ceramic vs. electrolytic). A common example circuit would be taking a higher, unregulated DC voltage (say, 15V to 20V) and feeding it into the LM7812’s input pin. The ground pin connects to the common ground reference of your circuit, and the output pin provides the stable +12V. This is fundamental for powering microcontrollers, sensors, or op-amps that require a solid 12V supply. For applications requiring more current than the LM7812 can handle alone (typically >1A), you might see circuits using a pass transistor controlled by the LM7812. In this setup, the LM7812 provides a stable reference voltage to the base of a power transistor (like a 2N3055 or similar), which then handles the bulk of the current delivery. This is a common way to boost the current capability significantly while still leveraging the precise regulation of the LM7812. The LM7812 datasheet PDF often includes schematics for such extended applications, demonstrating how to incorporate external components to meet specific current or voltage requirements. It’s also important to consider heatsinking. If the difference between your input voltage and output voltage (V_in - V_out) is large, or if you’re drawing significant current, the LM7812 will dissipate power as heat (P = (V_in - V_out) * I_out). The LM7812 datasheet PDF provides thermal resistance figures that help you calculate the junction temperature. If this temperature exceeds the maximum limit, the regulator will shut down or fail. Therefore, using an appropriate heatsink is often mandatory for reliable operation, especially in higher power scenarios. The datasheet will guide you on when a heatsink is necessary and what type might be suitable. Remember, these circuits are just starting points; always refer to the LM7812 datasheet PDF for specific recommendations tailored to your application’s voltage, current, and environmental conditions.

Safety and Thermal Considerations

When working with any electronic component, especially power regulators like the LM7812 , safety and thermal management are paramount. The LM7812 datasheet PDF dedicates significant space to these aspects because overheating is one of the most common failure modes. As we touched upon, the LM7812 has built-in thermal shutdown protection. This is a fantastic safety feature! When the internal junction temperature reaches a certain threshold (often around 150°C), the regulator will automatically reduce its output current to prevent further temperature increase. Once it cools down sufficiently, it will attempt to resume normal operation. While this protection is great, it’s not a substitute for proper design. Relying solely on thermal shutdown can lead to intermittent operation and is a sign that your design is pushing the limits. Proper heatsinking is crucial. The amount of heat generated is directly proportional to the voltage drop across the regulator and the current it’s supplying: Power Dissipation (Pd) = (Input Voltage - Output Voltage) x Output Current . If this calculated power dissipation is significant (e.g., more than 1-2 Watts), you’ll likely need a heatsink. The LM7812 datasheet PDF provides the thermal resistance values (e.g., Rth_jc: junction-to-case, Rth_ca: case-to-ambient). You can use these values along with the maximum allowable junction temperature (Tj_max, typically 125°C or 150°C) to calculate the required heatsink thermal resistance (Rth_sa: heatsink-to-ambient). The formula is roughly: Rth_sa <= (Tj_max - Tambient) / Pd - Rth_jc . A lower Rth_sa value means a more effective heatsink is needed. For higher current applications, using an external pass transistor controlled by the LM7812, as mentioned before, offloads the heat dissipation to a transistor specifically designed for higher power handling, often with a much larger heatsink. Another critical safety consideration is input voltage . Never exceed the maximum input voltage specified in the LM7812 datasheet PDF (typically around 35V for the standard LM7812). Exceeding this limit can permanently damage the regulator. Similarly, ensure your input voltage doesn’t dip too low, falling below the required dropout voltage plus the output voltage. This can lead to unstable output, which can be just as damaging to your connected circuitry. Always make sure your ground connections are solid. A loose ground connection can cause all sorts of unpredictable behavior and potential shorts. When soldering, avoid overheating the component, as excessive heat can damage the internal structures even before the thermal shutdown activates. The LM7812 datasheet PDF is your ultimate reference for all these safety parameters. It will clearly state maximum ratings, recommended operating conditions, and provide graphs illustrating thermal performance and safe operating areas. Ignoring these details can turn a simple circuit into a potential fire hazard or a source of component failure. Treat the datasheet with respect, and your circuits will be much more reliable and safe.

Where to Find the LM7812 Datasheet PDF

Finding the LM7812 datasheet PDF is generally straightforward, as it’s a very common and widely manufactured component. The easiest way is to perform a quick web search using the exact phrase “LM7812 datasheet PDF”. You’ll likely get numerous results from major semiconductor manufacturers (like Texas Instruments, ON Semiconductor, National Semiconductor – though now part of TI, Fairchild Semiconductor – now part of ON Semiconductor) and reputable electronic component distributors (like Digi-Key, Mouser, RS Components). Always try to download the datasheet directly from the manufacturer’s official website if possible. This ensures you’re getting the most accurate, up-to-date, and authoritative version. Manufacturer sites are usually quite good at providing easily accessible PDF downloads for their products. Look for a “Products” or “Support” section, and then search for the LM7812. Distributors’ websites are also reliable sources, as they often host datasheets for the parts they sell. However, sometimes these might be slightly older versions compared to the manufacturer’s own site. When you download the LM7812 datasheet PDF , make sure it corresponds to the specific manufacturer and package type you are using. While the core specifications are usually identical across manufacturers for a part like the LM7812, minor variations or different application notes might be included. Keep the datasheet file organized in a project folder or a dedicated electronics folder on your computer. Having it readily accessible means you won’t have to scramble to find it when you’re in the middle of a design or troubleshooting session. For critical projects, it’s even wise to download and archive a copy of the datasheet, as product information can sometimes be removed from websites over time. Many engineers and hobbyists maintain a personal library of essential datasheets. Think of the LM7812 datasheet PDF as essential documentation for your project. It’s not just a file; it’s the key to understanding, correctly implementing, and safely operating this fundamental component. So, bookmark it, save it, and refer to it often!

Conclusion: The LM7812 - A Workhorse You Can Trust

So there you have it, guys! The LM7812 is a true workhorse in the world of electronics. Its ability to deliver a stable +12V output, combined with its simplicity and built-in protection features, makes it an indispensable component for a vast array of projects. Whether you’re powering sensitive digital logic, analog circuits, or even small motors, the LM7812 offers a reliable and cost-effective solution. The key takeaway here is the critical importance of the LM7812 datasheet PDF . It’s not just a document; it’s your comprehensive guide to understanding the component’s capabilities, limitations, and safe operating parameters. From pinouts and electrical characteristics to thermal management and application circuits, the datasheet provides all the essential information needed to integrate the LM7812 successfully into your designs. By carefully studying the LM7812 datasheet PDF , you ensure optimal performance, prevent potential failures, and build more robust and reliable electronic systems. So next time you reach for an LM7812, make sure you’ve got its datasheet handy. Happy building!